○壱岐市壱岐物産品販売促進事業費補助金交付要綱
平成17年4月25日
告示第21号
(趣旨)
第1条 市は、市外での壱岐特産品の普及・販路拡大を図るため、予算の定めるところにより、市外で開催される物産展に参加又は主催する団体に対して壱岐物産品販売促進事業費補助金(以下「補助金」という。)を交付するものとし、その交付については、壱岐市補助金等交付規則(平成16年壱岐市規則第33号。以下「規則」という。)の定めるもののほか、この要綱の定めるところによるものとする。
(補助の対象及び補助率)
第2条 補助金の交付の対象となる団体・経費及び補助率、補助回数等は別表のとおりとする。
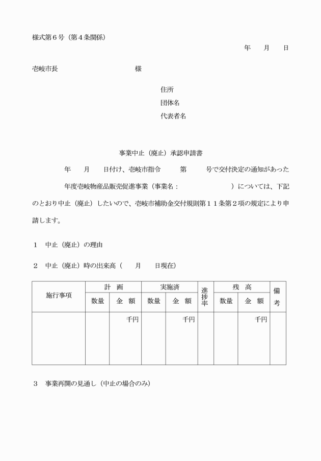
(申請書に添付すべき書類等)
第3条 規則第4条の規定により申請書に添付すべき関係書類は、次のとおりとし、物産展開催5日前までに市長に提出しなければならない。
(1) 事業計画書(様式第1号)
(2) 事業経費内訳報告書(様式第3号)
(3) 前2号に掲げるものの他市長が必要と認める書類(主催者が作成した事業計画書等)
(実績報告)
第5条 規則第13条の規定による実績報告書は、事業完了後、遅滞なく提出するものとする。
2 規則第13条第1項の規定により実績報告書に添付すべき書類は、次のとおりとする。
(1) 事業実績書(様式第2号)
(2) 事業内容を明らかにする報告書
(3) 事業経費内訳報告書(様式第3号)
(4) 売上報告書(様式第4号)
(5) 状況写真
(6) その他市長が必要と認める書類
(補助金の交付)
第6条 補助金は、精算払いにより交付するものとする。
(雑則)
第7条 規則及びこの要綱に定めるもののほか、必要な事項は別に定める。
附則
この告示は、平成17年5月1日から施行する。
附則(平成17年9月28日告示第48号)
この告示は、平成17年10月1日から施行する。
附則(平成25年8月1日告示第106号)
この告示は、平成25年8月1日から施行する。
附則(平成28年4月1日告示第41号)
この告示は、平成28年4月1日から施行する。
附則(令和4年4月1日告示第142号)
この告示は、令和4年4月1日から施行する。
別表(第2条関係)
補助金の名称 | 交付対象団体 | 交付対象経費 | 補助率 |
壱岐物産品販売促進事業費補助金 | ・壱岐市商工会 ・壱岐市観光連盟 | ・航送料(フェリー) | ・割引後実費(領収書)ただし、参加業者数を超えないこと。 |
・その他、市に納税義務がある3事業者以上で組織された特産品販売を目的とする団体で、滞納がないこと。交付対象団体として認められることを条件とする。(様式第5号) | ・高速料金 | ・実費(領収書) | |
・器具借用(設備)料(保冷・冷凍ケース等) | ・費用の1/2(領収書)1回につき2基40,000円限度 ・実演に係る電気設備費用の1/2(領収書)(1回につき20,000円を限度とする。) | ||
・宣伝広告費用 | ・市職員が宣伝のため参加の場合、チラシ作成費用及びサービス品として地場産品を利用する場合に限り、1回につき25,000円を限度とする。 | ||
・運搬料 | ・実費(領収書)1回につき50,000円を限度とする。ただし航送料及び高速料金補助との併用は認めない。 | ||
・その他市長が必要とみとめた場合 |
| ||
補助金の支給回数 | この補助金を利用できるのは年度を通じて1団体6回までとし、各団体3業者以上参加する場合に限る。(1事業者が団体を重複して参加することはできる。) ただし、市主催事業等で別途補助がある物産展はこの補助金の対象としない。 各漁業協同組合及び壱岐市農業協同組合はそれぞれ1事業者とみなす。 | ||





